Conectar Domotic

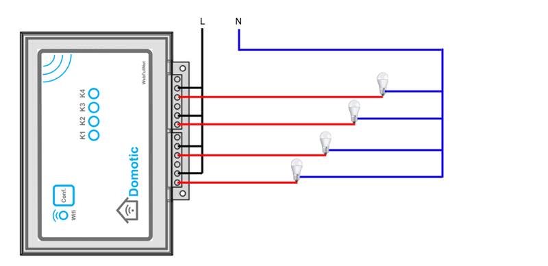
1- Cada salida está conectada a una lámpara o luminaria. Las lámparas son encendida por el modulo ( Sin tecla de encendido )

2- Cada salida conectada a un toma corriente. En los tomas corriente debe conectar la puesta a tierra por seguridad de las personas.

3- Cada salida está conectada a una lámpara o luminaria. Las lámparas son encendida por el modulo o por una llave de un punto , que este colocada en una instalación domiciliaria.

4- Cada salida está conectada a una lámpara o luminaria. Las lámparas son encendida por el modulo ( Sin tecla de encendido ) Cada salida conectada a un toma corriente . En los tomas corriente debe conectar la puesta a tierra por seguridad de las personas.